
2222
2222
22
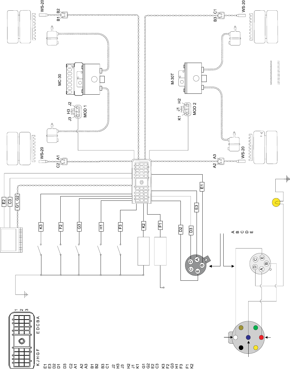
FIGURA 16 – ESQUEMA DEL SISTEMA ELECTRICO DEL CONTROLADOR MC-30FIGURA 16 – ESQUEMA DEL SISTEMA ELECTRICO DEL CONTROLADOR MC-30
FIGURA 16 – ESQUEMA DEL SISTEMA ELECTRICO DEL CONTROLADOR MC-30FIGURA 16 – ESQUEMA DEL SISTEMA ELECTRICO DEL CONTROLADOR MC-30
FIGURA 16 – ESQUEMA DEL SISTEMA ELECTRICO DEL CONTROLADOR MC-30
™™
™™
™
Cable flexible de conexión
de 30 patillas Conector
Conexión
a tierra
Potencia de ignición +12V
Potencia de la luz del freno +12V
Conexión a tierra
N/A
Salida del lado bajo auxiliar
Salida del lado alto auxiliar
Lámpara de advertencia ABS (Fuente)
Velocidad de la rueda Derecha Delantera +
Velocidad de la rueda Derecha Delantera –
Velocidad de la rueda Izquierda Delantera +
Velocidad de la rueda Izquierda Delantera –
Velocidad de la rueda Derecha Parte trasera +
Velocidad de la rueda Derecha Parte trasera –
Velocidad de la rueda Izquierda Parte trasera +
Velocidad de la rueda Izquierda Parte trasera –
Modulador 1 Retenedor
Modulador 1 Común
Modulador 1 Escape
Modulador 2 Retenedor
Modulador 2 Común
Modulador 2 Escape
Diagnóstico, J1587 serie A
Diagnóstico, J1587 serie B
Diagnóstico, ignición +12V
Diagnóstico, a tierra
Entrada del interruptor auxiliar #1
Entrada del interruptor auxiliar #2
Entrada del interruptor auxiliar #3
Entrada del interruptor auxiliar #4
Entrada del interruptor auxiliar #5
Conector eléctrico del
remolque de 7 patillas
Conexión
a tierra
Potencia
de ignición
Potencia de la
Luz del freno
Herramientas
de diagnóstico
Bendix
Entrada del interruptor
auxiliar # 1
Entrada del interruptor
auxiliar # 3
Entrada del interruptor
auxiliar # 4
Entrada del interruptor
auxiliar # 5
Potencia
de ignición
Carga de
salida del lado
alto auxiliar
Carga de
salida del lado
bajo auxiliar
Conector ABS
De 5 patillas
Potencia de la luz del freno
Potencia de ignición
N/A
Lámpara de advertencia ABS del remolque
Conexión a tierra
Luz de advertencia ABS
Derecha
Delantera
Derecha
Parte trasera
Izquierda
Delantera
Conexión
a tierra
Cables
entrelazados
Líneas del freno
Izquierda
Parte trasera
Komentarze do niniejszej Instrukcji