BENDIX BW1115 Instrukcja Użytkownika Strona 78

  • Pobierz
  • Dodaj do moich podręczników
  • Drukuj
  • Strona
    / 81
  • Spis treści
  • BOOKMARKI
  • Oceniono. / 5. Na podstawie oceny klientów
Przeglądanie stron 77
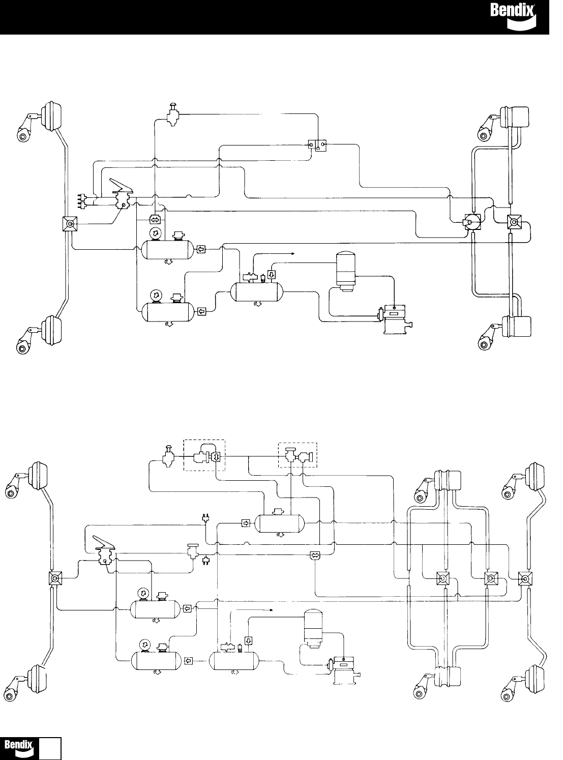
5/8"
ST-3
LP-3
DC-4
Freno de
resorte
Cámara
del freno
ASA
Tensor de ajuste
automático (ASA)
Manguera con
diámetro
interno de 3/8"
R-12
SL-5
SL-5
Válvula de
freno doble
1/2"
Suministro
de accesorio
Compresor
PP-1
5/8"
5/8"
5/8"
5/8"
SC-1
LP-3
SC-1
1/4"
SR-1
1/2"
SC-1
PR-4
1/2"
1/4"
1/4"
D-2
5/8"
Secador de aire
3/4"
Manguera con
diámetro
interno de 3/8"
ASA
ASA
Manguera
con diámetro
interno de
3/8"
R-14
R-12
Cámara
del freno
ASA
R-12
Manguera
con
diámetro
interno de
3/8"
5/8"
5/8"
5/8"
5/8"
1/4"
3/8" or 1/2"
LP-3
LP-3
PP-1
1/2"
1/2"
1/2"
PR-4
1/2"
SC-1
SL-5
TR-3
SL-5
SC-1
3/8" or 1/2"
3/4"
ST-3
SC-1
5/8"
1/4"
1/4"
D-2
5/8"
DC-4
LP-3
Intercierre
de servicio
Válvula de
estacionamiento
ASA
Cámara
del freno
ASA
Compresor
Suministro de
accesorio
DD-3
ASA
ASA
R-12
R-12
R-12
5/8"
5/8"
Manguera
con
diámetro
interno de
3/8"
Manguera
con
diámetro
interno de
3/8"
Manguera
con
diámetro
interno de
3/8"
Manguera
con
diámetro
interno de
3/8"
BUS ESCOLAR
BUS PARA CARRETERA (EJE AUXILIAR)
DESFRENAMIENTO DE DOS PASOS (DD-3
)
Válvula de
freno doble
Secador
de aire
Tensor de ajuste
automático (ASA)
80
Sistemas de aire típicos 100
Przeglądanie stron 77
1 2 ... 73 74 75 76 77 78 79 80 81

Komentarze do niniejszej Instrukcji

Brak uwag