Many
Manuals
search
Kategorie
Marki
Strona główna
BENDIX
Nie
BW1670
Instrukcja Użytkownika
BENDIX BW1670 Instrukcja Użytkownika Strona 2
Pobierz
Podziel się
Dzielenie się
Dodaj do moich podręczników
Drukuj
Strona
/
24
Spis treści
ROZWIĄZYWANIE PROBLEMÓW
BOOKMARKI
Oceniono
.
/ 5. Na podstawie
oceny klientów
1
2
3
4
5
6
7
8
9
10
11
12
13
14
15
16
17
18
19
20
21
22
23
24
2
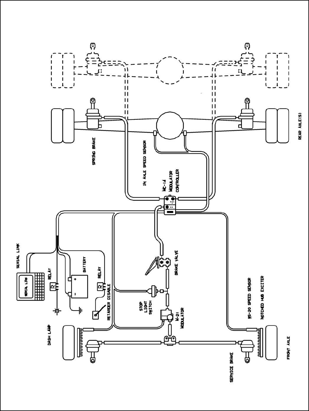
FIGURE 2 -
MC-14
™
ANTILOCK BRAKE SYSTEM
1
2
3
4
5
6
7
...
23
24
SD-13-4784
1
FIGURE 2 - MC-14
2
ANTILOCK BRAKE SYSTEM
2
INPUTS AND COMMAND OUTPUTS
3
CONTROLLER INFORMATION
3
OPERATION
5
ANTILOCK CONTROLLED BRAKE
6
ANTILOCK SYSTEM OPERATION
6
COMPONENT FAULT STRATEGY
6
• An M-12
7
FIGURE 6 - MC-14
8
ANTILOCK WIRING SCHEMATIC
8
DIAGNOSTIC LEDS
10
"FRONT" LED
10
"MID" LED
10
"REAR" LED
10
TROUBLESHOOTING
11
Komentarze do niniejszej Instrukcji
Brak uwag
Publish
Powiązane produkty i podręczniki dla Nie BENDIX BW1670
Nie BENDIX PNU-149 Instrukcja Użytkownika
(109 strony)
Nie BENDIX TCH-001-022 Instrukcja Użytkownika
(3 strony)
Nie BENDIX BW1115 Instrukcja Użytkownika
(81 strony)
Nie BENDIX BW7543S Instrukcja Użytkownika
(2 strony)
Nie BENDIX TCH-003-025 Instrukcja Użytkownika
(2 strony)
Nie BENDIX 08-A-9 Instrukcja Użytkownika
(5 strony)
Nie BENDIX 08-A-24 Instrukcja Użytkownika
(4 strony)
Nie BENDIX TCH-001-049 Instrukcja Użytkownika
(1 strony)
Nie BENDIX TCH-006-003 Instrukcja Użytkownika
(1 strony)
Nie BENDIX PNU-096 Instrukcja Użytkownika
(1 strony)
Nie BENDIX TCH-005-015 Instrukcja Użytkownika
(1 strony)
Nie BENDIX PNU-142 Instrukcja Użytkownika
(10 strony)
Nie BENDIX TCH-020-008 Instrukcja Użytkownika
(1 strony)
Nie BENDIX TCH-001-030 Instrukcja Użytkownika
(2 strony)
Nie BENDIX 03-A-17 Instrukcja Użytkownika
(1 strony)
Nie BENDIX TCH-008-003 Instrukcja Użytkownika
(1 strony)
Nie BENDIX 03-M-01 Instrukcja Użytkownika
(1 strony)
Nie BENDIX TCH-020-007 Instrukcja Użytkownika
(3 strony)
Nie BENDIX BW2802 Instrukcja Użytkownika
(1 strony)
Nie BENDIX PNU-123 Instrukcja Użytkownika
(1 strony)
Drukuj dokument
Drukuj stronę 2
Komentarze do niniejszej Instrukcji